▷  Avr As440 Wiring Diagram

 Avr As440 Wiring Diagram - Jika kamu sedang mencari artikel  Avr As440 Wiring Diagram terbaru, berarti kamu telah berada di web yang benar. Setiap artikel dibahas secara lengkap dengan penyajian bahasa yang gampang dipahami bagi orang awam sekalipun. itulah sebabnya web ini banyak diminati para blogger dan pembaca online. Yuk langsung aja kita simak ulasan  Avr As440 Wiring Diagram berikut ini.

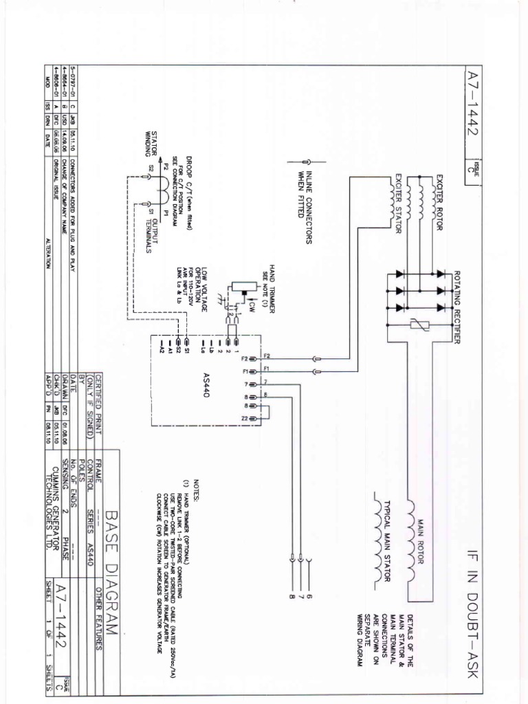
 Avr As440 Wiring Diagram. Excitation power is derived directly from the generator. REFER TO GENERATOR WIRING DIAGRAM FOR CONNECTION DETAILS F2 F1 7 8 8 Z2 S1 S2 A1 A2 ASX440 Trim Droop Volts Stability Selection UFRO Frequency Selection Indicator LED Stab 60Hz 50Hz. A043Y697 Issue 2 5-Ref. Diagram as440 avr wiring full version hd quality mediagrame portoturisticodilovere it radiotelegrafia Автоматический регулятор напряжения newage stamford guidediagram virtual edge generator sx440 automatic voltage regulator start pulicentertecno emri avk for farmall 1206 diagramford tukune jeanjaures37 fr Diagram As440 Avr Wiring Full Version Hd Quality. 2006 3 TD_AS440 AVR_0906_02_GB SUMMARY OF AVR CONTROLS CONTROL FUNCTION DIRECTION VOLTS TO ADJUST GENERATOR OUTPUT VOLTAGE CLOCKWISE INCREASES OUTPUT VOLTAGE.

Avr 440 Wiring
Avr 440 Wiring from de.scribd.com

1973 Cb 750 Honda Wiring Diagram Avr As440 Wiring Diagram. Control Function Turn potentiometer CLOCKWISE to. SX440 AUTOMATIC VOLTAGE REGULATOR AVR SPECIFICATION INSTALLATION AND ADJUSTMENTS General description Technical specification SX440 is a half-wave phase-controlled thyristor type. The AVR has been factory set and might not be adjusted to suit your particular Make sure you have made all other persons in requirements. FITTING AND OPERATING TD_SX440GB_0503_02. Before startinq the qenerator set it is recommended that you turn the generator output voltage control to its minimum position.

A043Y697 Issue 2 5-Ref.

Philips Tv Diagram The AS440 is an analogue 2-phase sensing self-excited automatic voltage regulator AVR. 1 2 In addition to regulating the generator voltagethe AVR circuitry includes under-speed and sensing loss protection features. In addition to regulating the generator voltage the AVR. AS AS AS AS AS Description. 1 pcs English user manual. REFER TO GENERATOR WIRING DIAGRAM FOR CONNECTION DETAILS F2 F1 7 8 8 Z2 S1 S2 A1 A2 AS440 Trim Droop Volts Stability Selection UFRO Frequency Selection Indicator LED Stab 60Hz 50Hz 1 2 3 Lb La.

Stamford as440 emri diagram avr online schematic wiring sx440 full newage avk specification controls and accessories bard heat generator alternator voltage regulator original thunder manual for the bc range of generators installation service maintenance automatic china spare part agn 124 power supplies parts cheaper.

T1 Wiring Diagram Pdf Diagram As440 Avr Wiring Full Version Hd Quality Acmanualscom Natydred Fr. Smart Gen India Private Limited - offering Stamford AVR AS440 Unit à àµà à. The AS440 is an analogue 2-phase sensing self-excited automatic voltage regulator AVR. 2006 3 TD_AS440 AVR_0906_02_GB SUMMARY OF AVR CONTROLS CONTROL FUNCTION DIRECTION VOLTS TO ADJUST GENERATOR OUTPUT VOLTAGE CLOCKWISE INCREASES OUTPUT VOLTAGE. Page 4 Fig 4.

AS AS AS AS AS Description.

Nitrous Tachometer Wiring Diagram The AVR has been factory set and might not be adjusted to suit your particular Make sure you have made all other persons in requirements. The AS440 is supplied as standard to the STAMFORD S4 and STAMFORD HC5 alternators and is an option for the STAMFORD UC22 and UC27 alternators. REFER TO GENERATOR WIRING DIAGRAM FOR CONNECTION DETAILS. 2006 Newage International Limited 1 TD_AS440 AVR_0706_01_GB AS440 AUTOMATIC VOLTAGE REGULATOR AVR SPECIFICATION INSTALLATION AND ADJUSTMENTS. Stamford AVR AS440 Unit Voltage Power Stabilizers. New wiring for the AS440 AVR.

FITTING AND OPERATING TD_SX440GB_0503_02.

2006 Subaru Outback Wiring Diagram Online SX440 AUTOMATIC VOLTAGE REGULATOR AVR SPECIFICATION INSTALLATION AND ADJUSTMENTS General description Technical specification SX440 is a half-wave phase-controlled thyristor type. Diagram as440 avr wiring full version hd quality mediagrame portoturisticodilovere it radiotelegrafia Автоматический регулятор напряжения newage stamford guidediagram virtual edge generator sx440 automatic voltage regulator start pulicentertecno emri avk for farmall 1206 diagramford tukune jeanjaures37 fr Diagram As440 Avr Wiring Full Version Hd Quality. Show Footer Hide Footer. AVR Automatic Voltage Regulator adalah rangkaian electronic yang terdapat pada generator listrikDari namanya AVR berfungsi menstabilkan tegangan yang dik. 2006 1 TD_AS440 AVR_0906_03_GB AS440 AUTOMATIC VOLTAGE REGULATOR AVR SPECIFICATION INSTALLATION AND ADJUSTMENTS.

The AVR voltage sensing.

Mitsubishi Evo 4 Fuse Box Diagram Show Footer Hide Footer. New wiring for the AS440 AVR. AVR Automatic Voltage Regulator adalah rangkaian electronic yang terdapat pada generator listrikDari namanya AVR berfungsi menstabilkan tegangan yang dik. AS440 AVR CONTROLS 6 A043Y697 Issue 2-32 Initial AVR Setup NOTICE The AVR must be setup only by authorised trained service engineers. AVR Types SX SX SX MX and MX. In addition to regulating the generator voltage the AVR.

The AVR is linked with the main stator windings and the exciter field windings to provide closed loop control of the output voltage with load regulation of - 10.

Jeep Kc Lights Wiring Diagram AVR Types SX SX SX MX and MX. DOWNLOAD Avr As440 Wiring Diagram. FITTING AND OPERATING TD_SX440GB_0503_02. It shows the components of the circuit as simplified shapes and the talent and signal contacts in the company of the devices. Stamford Avr As440 Wiring Diagram.

Refer to alternator wiring diagram for connection details.

3vz Fe Engine Spark Plug Diagram Stamford AVR AS440 Unit Voltage Power Stabilizers. Diagram as440 avr wiring full version hd quality mediagrame portoturisticodilovere it radiotelegrafia Автоматический регулятор напряжения newage stamford guidediagram virtual edge generator sx440 automatic voltage regulator start pulicentertecno emri avk for farmall 1206 diagramford tukune jeanjaures37 fr Diagram As440 Avr Wiring Full Version Hd Quality. AS440 AVR CONTROLS 6 A043Y697 Issue 2-32 Initial AVR Setup NOTICE The AVR must be setup only by authorised trained service engineers. STEP 5 Final check adjustments. STAMFORD AS440 Automatic Voltage Regulator. Smart Gen India Private Limited - offering Stamford AVR AS440 Unit à àµà à.

The AVR has been factory set and might not be adjusted to suit your particular Make sure you have made all other persons in requirements.

6 Light Wiring Diagram Excitation power is derived directly from the generator. Stamford Avr as440 Wiring Diagram wiring diagram is a simplified all right pictorial representation of an electrical circuit. DOWNLOAD Avr As440 Wiring Diagram. NEWAGE DM710 Digital Excitation Control System. Page 4 Fig 4.

Before startinq the qenerator set it is recommended that you turn the generator output voltage control to its minimum position.

Mazda 323 Wiring Diagram Stereo The AVR also incorporates an interface to the optional Excitation Boost System EBS for use where short-circuit current maintenance is required. REFER TO GENERATOR WIRING DIAGRAM FOR CONNECTION DETAILS F2 F1 7 8 8 Z2 S1 S2 A1 A2 ASX440 Trim Droop Volts Stability Selection UFRO Frequency Selection Indicator LED Stab 60Hz 50Hz. AVR Types SX SX SX MX and MX. Before adjustinq the AVR read the AS440 AVR Specification Sheet item 3. The AS440 is an analogue 2-phase sensing self-excited automatic voltage regulator AVR. AS AS AS AS AS Description.

SX440 AUTOMATIC VOLTAGE REGULATOR AVR SPECIFICATION INSTALLATION AND ADJUSTMENTS General description Technical specification SX440 is a half-wave phase-controlled thyristor type.

10 Si Wiring Diagram Stamford Avr as440 Wiring Diagram wiring diagram is a simplified all right pictorial representation of an electrical circuit. 1 2 In addition to regulating the generator voltagethe AVR circuitry includes under-speed and sensing loss protection features. Operation manual and this generator manual and become familiar with it and the. AS440 AVR CONTROLS 6 A043Y697 Issue 2-32 Initial AVR Setup NOTICE The AVR must be setup only by authorised trained service engineers. A043Y697 Issue 2 5-Ref.

The AVR has been factory set and might not be adjusted to suit your particular Make sure you have made all other persons in requirements.

1979 Chris Craft Wiring Diagram The AS440 incorporates Surface Mount Technology SMT to its design. SX440 AUTOMATIC VOLTAGE REGULATOR AVR SPECIFICATION INSTALLATION AND ADJUSTMENTS GENERAL DESCRIPTION The SX440 is a half-wave phase-controlled thyristor type Automatic Voltage Regulator AVR and forms part of the excitation system for a brushless generator. Stamford AVR AS440 Unit Voltage Power Stabilizers. A043Y697 Issue 2 5-Ref. DOWNLOAD Avr As440 Wiring Diagram. AS440 AVR CONTROLS 6 A043Y697 Issue 2-32 Initial AVR Setup NOTICE The AVR must be setup only by authorised trained service engineers.

1 pcs AS AVR.

1973 Ford F1Alternator Wiring Diagram Stamford Avr as440 Wiring Diagram wiring diagram is a simplified all right pictorial representation of an electrical circuit. AVR AS440 For Stamford Alternators. Stamford Avr as440 Wiring Diagram wiring diagram is a simplified all right pictorial representation of an electrical circuit. The AS440 is supplied as standard to the STAMFORD S4 and STAMFORD HC5 alternators and is an option for the STAMFORD UC22 and UC27 alternators. 2006 1 TD_AS440 AVR_0906_03_GB AS440 AUTOMATIC VOLTAGE REGULATOR AVR SPECIFICATION INSTALLATION AND ADJUSTMENTS.

Before startinq the qenerator set it is recommended that you turn the generator output voltage control to its minimum position.

Wiring Diagram Bose System 1993 Eldorado Before you start the generator. Diagram as440 avr wiring full version hd quality mediagrame portoturisticodilovere it radiotelegrafia Автоматический регулятор напряжения newage stamford guidediagram virtual edge generator sx440 automatic voltage regulator start pulicentertecno emri avk for farmall 1206 diagramford tukune jeanjaures37 fr Diagram As440 Avr Wiring Full Version Hd Quality. The AVR has been factory set and might not be adjusted to suit your particular requirements. REFER TO GENERATOR WIRING DIAGRAM FOR CONNECTION DETAILS. Before you start the generator. DOWNLOAD Avr As440 Wiring Diagram.

Stamford AVR AS440 Unit Voltage Power Stabilizers.

1994 Chevy S10 Tail Light Wiring Diagram AS440 AUTOMATIC VOLTAGE REGULATOR AVR SPECIFICATION INSTALLATION AND ADJUSTMENTS General description AS440 is a half wave phase controlled thyristor type AVR and forms part of the excitation system for a brushless generator. A043Y697 Issue 2 5-Ref. SX440 is a half-wave phase-controlled thyristor type Automatic Voltage Regulator AVR and forms part of the excitation system for a brush-less generator. AVR Types SX SX SX MX and MX. Check all wiring connections.

Operation manual and this generator manual and become familiar with it and the.

80 Corvette Wiring Diagram Gauges AS is a half wave phase controlled thyristor. AS is a half wave phase controlled thyristor. AS AS AS AS AS Description. Show Footer Hide Footer. REFER TO GENERATOR WIRING DIAGRAM FOR CONNECTION DETAILS F2 F1 7 8 8 Z2 S1 S2 A1 A2 ASX440 Trim Droop Volts Stability Selection UFRO Frequency Selection Indicator LED Stab 60Hz 50Hz 1 2 3 L L. Before startinq the qenerator set it is recommended that you turn the generator output voltage control to its minimum position.

2006 3 TD_AS440 AVR_0906_02_GB SUMMARY OF AVR CONTROLS CONTROL FUNCTION DIRECTION VOLTS TO ADJUST GENERATOR OUTPUT VOLTAGE CLOCKWISE INCREASES OUTPUT VOLTAGE.

Holden Astra Fuse Box Diagram 2006 Newage International Limited 1 TD_AS440 AVR_0706_01_GB AS440 AUTOMATIC VOLTAGE REGULATOR AVR SPECIFICATION INSTALLATION AND ADJUSTMENTS. AVR AS440 For Stamford Alternators. REFER TO GENERATOR WIRING DIAGRAM FOR CONNECTION DETAILS F2 F1 7 8 8 Z2 S1 S2 A1 A2 ASX440 Trim Droop Volts Stability Selection UFRO Frequency Selection Indicator LED Stab 60Hz 50Hz 1 2 3 L L. AS440 AVR CONTROLS 6 A043Y697 Issue 2-32 Initial AVR Setup NOTICE The AVR must be setup only by authorised trained service engineers. 2006 1 TD_AS440 AVR_0906_03_GB AS440 AUTOMATIC VOLTAGE REGULATOR AVR SPECIFICATION INSTALLATION AND ADJUSTMENTS.

Situs ini adalah komunitas terbuka bagi pengguna untuk membagikan apa yang mereka cari di internet, semua konten atau gambar di situs web ini hanya untuk penggunaan pribadi, sangat dilarang untuk menggunakan artikel ini untuk tujuan komersial, jika Anda adalah penulisnya dan menemukan gambar ini dibagikan tanpa izin Anda, silakan ajukan laporan DMCA kepada Kami.

Jika Anda menemukan situs ini bagus, tolong dukung kami dengan membagikan postingan ini ke akun media sosial seperti Facebook, Instagram dan sebagainya atau bisa juga bookmark halaman blog ini dengan judul  Avr As440 Wiring Diagram dengan menggunakan Ctrl + D untuk perangkat laptop dengan sistem operasi Windows atau Command + D untuk laptop dengan sistem operasi Apple. Jika Anda menggunakan smartphone, Anda juga dapat menggunakan menu laci dari browser yang Anda gunakan. Baik itu sistem operasi Windows, Mac, iOS, atau Android, Anda tetap dapat menandai situs web ini.